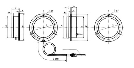
不锈钢压力型温度计安装尺寸图
压力类型温度计适用于工业场合,测量对铜无腐蚀作用的各种介质的温度。如果介质有腐蚀作用,应选择防腐类型。该仪器广泛应用于机械、纺织、化工、制药和食品行业,用于测量和控制生产过程中的温度。它可以在工作温度达到或超过给定值时发出信号,也可以用作温度调节系统中的电路触点开关。
压力类型温度计主要技术指标
模型
工作能量
刻度盘直径mm
表观方向
案例材料
WTZ-280
WTQ-280
指示类型
100
径向(悬挂式)
胶木
压力类型温度计测量范围
测量范围
WTZ-280
WTQ-280
-20 ~ 60;0 ~ 100;20 ~ 120;60 ~ 160;40 ~ 60;0 ~ 50;0 ~ 120;
0 ~ 200;0 ~ 250;0 ~ 300;0 ~ 400;0 ~ 500;0~600
暖袋插入深度
150~280(尾长12M)200~300(尾长> 12M)
暖袋材料
& Phi8,& Phi10,& Phi13,& Phi14根铜管,&φ;8,& Phi10,& Phi13,& Phi14不锈钢管
毛细材料
铜毛细管包覆塑料毛细管不锈钢毛细管
安装方法
WTZ-280
M27*2活动外螺纹
材料:铜、铁、不锈钢
WTQ-280
M33*2活动外螺纹
尾长
1m ~ 20m > 20m的特殊加工
技术参数
准确度等级1.5/2.5接触容量:220伏/1A(无感应负载10VA)
安装孔尺寸
4 &质数;-& Phi;118毫米6英寸&优质;-& Phi;158毫米

“不锈钢压力型温度计安装尺寸图 ”本文地址,转载请勿删除!http://m.6j07.cn/gynews/2599.html